Характеристики
Внесен в ГосРеестр
—
Нет
Тип аксессуара
—
Опция программная
Цена по запросу
Уточняйте наличие
Нашли дешевле?
Под заказ
Наши менеджеры обязательно свяжутся с вами и уточнят условия заказа
Хочу в подарок
Самовывоз сегодня - бесплатно
Доставка курьером от 1 дня - от 500 ₽
Доставка курьером от 1 дня - от 500 ₽
Цена действительна только для интернет-магазина и может отличаться от цен в розничных магазинах
* Производитель в праве изменять характеристики, внешний вид, комплектацию и место производства без уведомления дилера
* Производитель в праве изменять характеристики, внешний вид, комплектацию и место производства без уведомления дилера
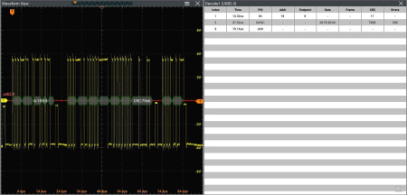
Программная опция DS70000-USBA активирует в осциллографах RIGOL серии DS70000 возможность декодирования и анализа сигналов последовательной шины передачи данных USB2.0.
Протокол USB2.0 поддерживает обмен данными между хостом и несколькими периферийными устройствами.
Декодирование и анализ сигналов стандарта USB2.0 доступно во всех аналоговых каналах CH-1 ~ CH4.
Результаты анализа декодированного протокола USB2.0 отображаются в таблице событий (USB2.0 Decoding Event Table), их можно использовать для обнаружения ошибок, отладки аппаратного обеспечения и ускорения разработки, что позволяет быстро и качественно выполнять инженерные проекты.
Отзывы
Оставить отзыв
Загрузка отзывов...